


ST 90 is an indigenously developed digital Tachometer designed to work in tough industrial environments. Efficiently monitors engines in Diesel gensets or engine only applications for measuring the RPM. ST-90 takes input from Charging Alternator pulse or through Magnetic pick up. Provided with user configurable keys, ST 90 exhibits engine RPM, run hours in clear backlit LCD display. Also has the ability to monitor and display battery voltage. Sun Smart Tacho meter has undergone type test as per IEC 60068 series.
| Parameter | Range |
|---|---|
| Operating Voltage | 8V to 36 V DC |
| Operating Range | - 30 to 80 Deg C |
| Display | Backlit Graphic LCD |
| Mounting | Flush, Circular 85mm Dia. |
| Mounting Type | Panel Mounting |
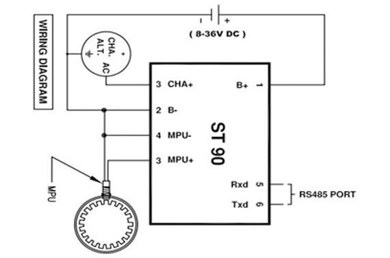
| Pulse Input | Charging Alt Freq pulse / MPU Signal |
| Connector Type | --- |
| Operating Voltage | By configuring the minimum RPM upon which the Engine can be declared ON |
| Sensing through MPU or Charging Alternator Pulse | Unit can sense the RPM through either of these methods by choosing the required option. |
| RPM Range | Can choose 1500 or 3000 RPM. |
| Teeth Count | This needs to be chosen for MPU type sensing. |
| Charging Alternator Frequency | To be set if Charging Alternator is used in sensing |
| Scrolling/Static Display | Display can be made to auto-scroll |
| PLC/IOT Interfacing | Supports RS-485/MODBUS for third party interface. |
